12μm 640 × 512 USB (CVBS/Tipo - C/MIPI Opcional) Tamaño compacto Módulo térmico de medición da temperatura

  • > 12μm640 × 512 (384 × 288, 256 × 192) Sensor Vox de alta sensibilidade
    • > 9.1/13/19/25mm (9,1/13mm, 4/7/10mm) lente atermalizada
    • > Apoio a paletas de ata 18color
  • > Rango de temperatura: - 20 ° C ~+150 ° C e 100 ° C ~ 550 ° C
  • > Apoia a comunicación en serie uart
  • > Saída USB De xeito predeterminado, CVBS/Tipo - C/MIPI Opcional
  • > Tamaño compacto: 17mm*17mm*xmm
  • > Baixo consumo: ≤0,7W

    Detalle do produto

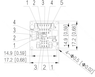
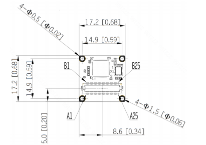
    Dimensión

    Número de modelo

    SG - DTM06U (C, M) 2 - x

    SG - DTM06U (C, M) 2 - TX

    SG - DTM03U (C, M) 2 - x

    SG - DTM03U (C, M) 2 - TX

    SG - DTM02U (C) 2 - x

    SG - DTM02U (C) 2 - TX

    Módulo térmico

    Sensor de imaxe

    Microbolómetro VOX non coro

    Intervalo de píxeles

    12μm

    Banda de onda de resposta

    8μm a 14μm

    Máx. Resolución

    640 × 512

    384 × 228

    256 × 192

    Frecuencia de cadros (FPS)

    50

    25

    50

    25

    50

    25

    Lente (distancia focal)

    9.1/13/19/25mm

    9.1/13mm

    4/7/10mm

    F Número

    F1.0/ f1.0/ f1.1/ f1.2

    F1.0

    F1.0

    Campo de vista (H × V)

    45,9 ° × 36,9 °/32,9 ° × 26,6 °/

    22,6 ° × 18,2 °/17,3 ° × 13,8 °

    28,7 ° × 21,7 °/20,1 ° × 15,1 °

    46,8 ° × 34,1 °/24,6 ° × 18,5 °/16,9 ° × 12,8 °

    Medición temporal

    N/a

    Soporte

    N/a

    Soporte

    N/a

    Soporte

    Medición da temperatura

    Rango de temperatura

    Modo LT: - 20 ° C ~+150 ° C; Modo HT: 0 ° C ~+550 ° C.

    Erro de medición

    Máximo (± 2 ° C, ± 2%); Tempora de funcionamento: - 20 ° C ~+50 ° C.

    Visualización de imaxe

    Axuste da imaxe

    Brillo, contraste, nitidez

    Mellora de detalles

    Soporte

    Gañar

    AUTO/MANUAL

    Redución de ruído

    2d/3d

    Flip

    Soporte

    Espello

    Soporte

    Pseudo - cor

    18 paletas de cor axustables

    Crosshair

    Visualizar/desaparecer/esconderse

    Procesamento de imaxes

    Corrección NUC, filtro de ruído dixital, DDE

    Vídeo

    Saída de vídeo

    UVC/BT.656/MIPI/LVDS/CVBS

    UVC/CVBS

    Interface de expansión

    USB/MIPI/CVBS/TIPO - C.

    USB/CVBS/TIPO - C.

    Comunicación en serie

    Porto en serie Uart

    Xeral

    Poder

    DC 4.5 ~ 5.5V; CVBS: DC 4.5–20V

    Consumo de enerxía

    ≤0.7w@25ºC

    ≤0.7w@25ºC

    ≤0.55w@25ºC

    Temperatura de traballo

    - 40 ° C ~ 70 ° C.

    Temperatura de almacenamento

    - 40 ° C ~ 80 ° C.

    Humidade de traballo

    ≤95% rH (non - condensación)

    Choque

    6,06g aleatorio, 3 - eixe, vibración de ondas sineos

    Dimensión

    17,3 mm*17,3 mm*10,8 mm (sen placa de cola de anel de lentes)

    Peso

    5G (sen lentes Spacer Anel Tail Plate)


  • Anterior:
  • Seguinte:
  • Deixa a túa mensaxe